
Wyświetlacz widmowy to ciekawe urządzenie z kategorii gadżetów które służy do wyświetlania napisów oraz obrazów. Wyświetlacz taki zbudowany jest z ułożonych w pasek diod LED umieszczonych na powierzchni bocznej walca bądź na promieniu koła. Obrazy tworzone są podczas wirowania obiektu, poprzez zapalanie w odpowiednich chwilach czasu diod LED tak by kolejne ich „rozbłyśnięcia” tworzyły pożądany kształt obrazu lub kroju czcionek tworzących napis. Cała „zabawa” opiera się na fakcie, iż ludzkie oko cechuje się sporą bezwładnością pozwalającą na rejestracje ok 25 obrazów na sekundę.
Budowę oraz zasadę działania przedstawia poniższy rysunek:
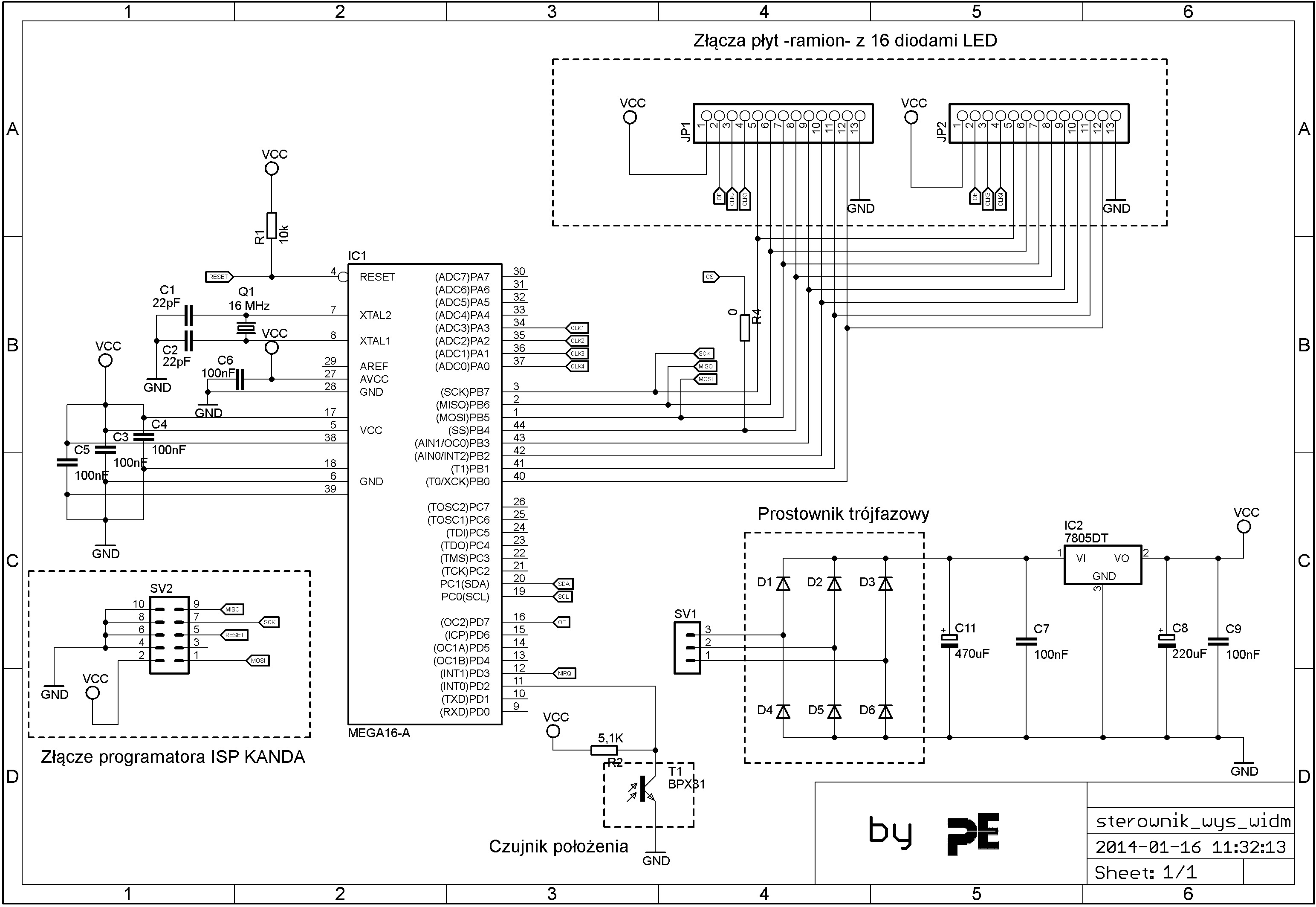
Urządzenie powstało w oparciu o mikrokontroler ATmega16. Schematy urządzenia przedstawiają poniższe rysunki:


Projekt ten był realizowany jako pomoc przy projekcie studenckim. Poprawiłem w nim trochę elektronikę i napisałem program na mikrokontroler.
Poniżej przedstawiam zdjęcia oraz film prezentujący wyświetlacz widmowy podczas działania.

