
Często w praktyce serwisowej przy naprawach sprzętu RTV oraz sprzętu komputerowego zachodzi potrzeba stwierdzenia czy dany kondensator elektrolityczny pracujący w urządzeniu jest sprawny -czy jego parametry nie odbiegają od prawidłowych.
Parametrami które w pierwszym przybliżeniu charakteryzują kondensator elektrolityczny i mogą podlegać nieniszczącym pomiarom są: pojemność kondensatora oraz Szeregowa Ekwiwalentna Rezystancja ESR (Equivalent Series Resistance).
Parametrami które w pierwszym przybliżeniu charakteryzują kondensator elektrolityczny i mogą podlegać nieniszczącym pomiarom są: pojemność kondensatora oraz Szeregowa Ekwiwalentna Rezystancja ESR (Equivalent Series Resistance).
Pojemność wyrażona w przypadku kondensatorów elektrolitycznych w µF, jest parametrem który najczęściej widnieje na ich obudowie. Jej prawidłową wartość można sprawdzić stosując miernik pojemności lub wybierając taką funkcję na multimetrze w nią wyposażonym. Oczywiście by pomiar był rzetelny należy badany kondensator wylutować z płyty (choćby jedną jego nóżkę) i dopiero na odłączonym od obwodu dokonywać pomiarów. Jeżeli uzyskana wartość z pomiarów różni się więcej niż o tolerancję od wskazanej na obudowie należy uznać, iż kondensator jest uszkodzony i kwalifikuje się do wymiany.
Drugim parametrem wymagającym sprawdzenia jest Szeregowa Ekwiwalentna Rezystancja czyli ESR. Parametr ten wyrażony jest w Ω i w zależności od wartości pojemności i napięcia na które kondensator jest zbudowany waha się od dziesiątych części Ω do kilkunastu Ω-można ją odczytać z not katalogowych producenta. Obecność tej rezystancji w większości przypadków nie jest korzystna gdyż powoduje ona nagrzewanie się kondensatora podczas jego cyklicznego ładowanie i rozładowania powodując pogarszanie się jego parametrów. Niestety często w skutek właśnie tego zjawiska jak i upływającego czasu oraz zastosowania tanich "elektrolitów" parametr ESR zwiększa swoją wartość (czasem nawet kilkunastokrotnie) uniemożliwiając poprawne działanie układu.
Niestety- mierniki uniwersalne nie dysponują funkcją pomiaru tego parametru a profesjonalne mierniki to umożliwiające są bardzo drogie. Zaistniała więc potrzeba do budowy własnego miernika ESR. Kolejnym powodem dla budowy mirnika ESR była potrzeba szybkiego określenia sprawności kondensatorów elektrolitycznych bez potrzeby ich wylutowywania do czego parametr ESR nadaje się o wiele bardziej niż pomiar pojemności. Często też zdarza się, iż pojemność kondensatora mieści się w normie a parametr ESR wskazuje, iż kondensator jest uszkodzony natomiast sytuacja odwrotna nie ma prawie nigdy miejsca. Wynika z tego, iż zasadnym jest wykonywanie w pierwszej kolejności pomiaru parametru ESR.
Budowa urządzenia
Oglądając na YouTube filmiki z EEV- bloga natrafiłem na interesujący miernik ESR mk II który jak się okazało sprzedawany jest jako kit do samodzielnego montażu. Znalazłem opis tego projektu z dokładnym wyjaśnieniem idei pomiaru parametru ESR. Polegała ona na generacji krótkich 8µs szpilek prądu co 500µs które to na rozładowanym kondensatorze (kondensator rozładowany stanowi zwarcie) dawały impulsy napięcia proporcjonalne do wartości ESR. Idea ta wydała mi się dość interesująca i łatwa do realizacji. Dokładność tej metody nie jest może oszałamiająca ale uzyskane nią wyniki są wystarczające do tego by w celach serwisowych stwierdzić czy kondensator dokonał już swego żywota czy jeszcze jest w stanie pracować w układzie.
Pierwotny układ zbudowany był w oparciu o 8-bitowy mikrokontroler firmy Zilog. Nawet gdybym zdobył "wsad" do tego układu nie miał bym czym go zaprogramować. Z tych powodów postanowiłem przerobić układ pod popularny mikrokontroler AVR ATmega8.
W pierwotnym projekcie amplituda impulsów napięcia która to wartość jest proporcjonalna do wartości parametru ESR była mierzona w oparciu o przetwornik zbudowany na bazie komparatora oraz napięcia które w liniowy sposób narastało w czasie (kondensator ładowany ze źródła prądowego). Przyczyną takiego podejścia do przetwarzania analogowo-cyfrowego w pierwotnym układzie był zapewne fakt, iż wspomniany mikrokontroler Zilog’a nie był wyposażony w wewnętrzny przetwornik ADC.
W mojej konstrukcji zdecydowałem się skorzystać z znajdującego się na pokładzie ATmega8, 10-bitowego przetwornika ADC z sukcesywną aproksymacją. Trochę tak "na wszelki wypadek" powieliłem na płytce także rozwiązanie z komparatorem i liniowo narastającym napięciem gdyby z jakichś przyczyn moja koncepcja byłą niewystarczająca. Dodatkowo w moim rozwiązaniu zdecydowałem się zastąpić dwu cyfrowy wyświetlacz LED wyświetlaczem alfanumerycznym LCD 2x16 znaków.
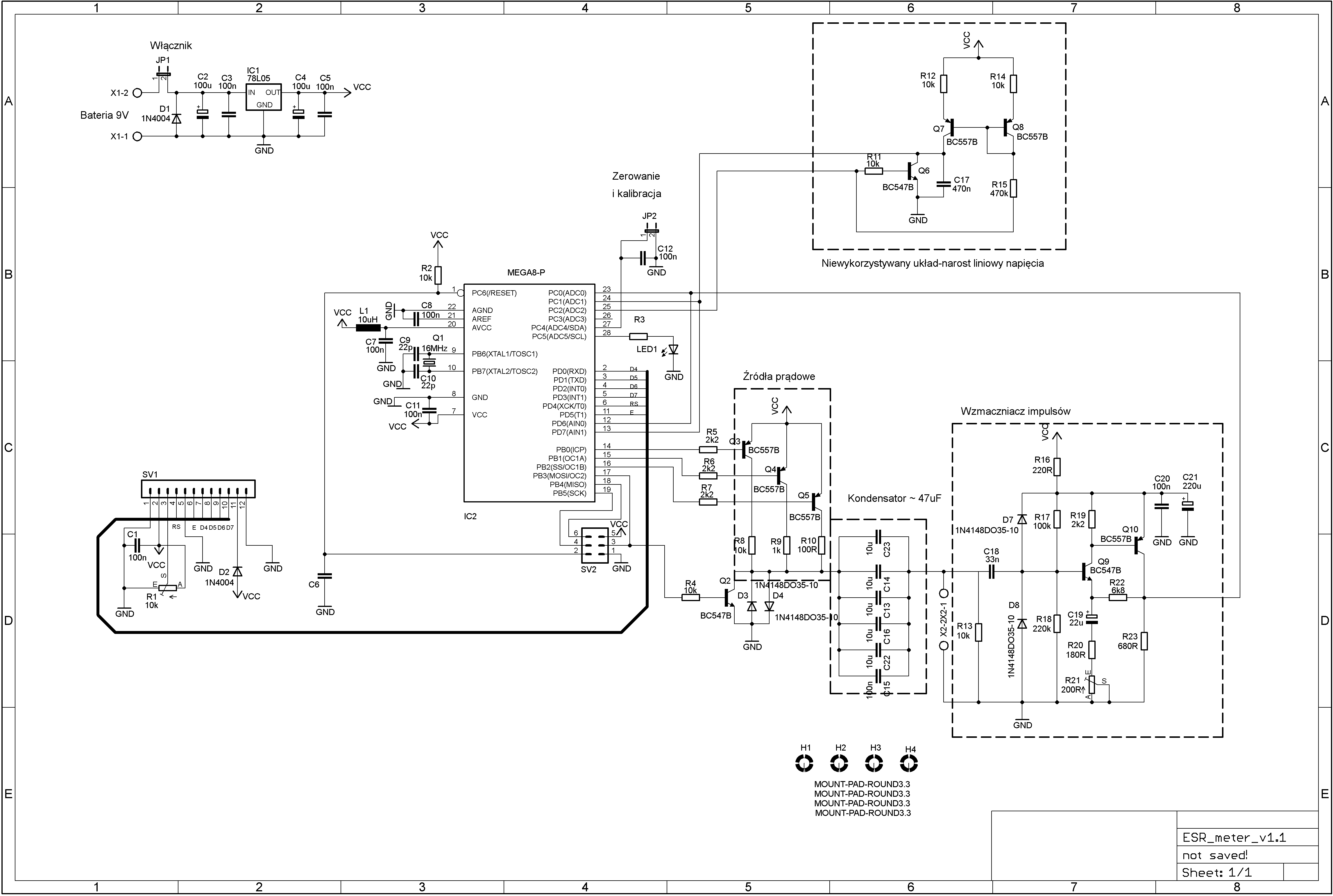
Poniższy rysunek przedstawia schemat miernika ESR:

Miernik ESR może dokonywać pomiaru w trzech automatycznie przełączanych zakresach : 0-5 Ω, 5-50 Ω oraz 50-600 Ω. Za pomocą tego urządzenia może także z powodzeniem być mierzona rezystancja rezystora. Jak już wcześniej zasygnalizowano miernikiem tym dzięki zastosowaniu niskiego napięcia pomiarowego ograniczonego do ok. 0.5-0.7V (ograniczonego przez diody D3 i D4) można mierzyć ESR kondensatorów elektrolitycznych bez wylutowywania ich z układu. Oczywiście sytuacja gdy wiele kondensatorów elektrolitycznych połączonych jest na płycie równolegle uniemożliwia takie zastosowanie. Dodatkowo szczególną uwagę należy zwrócić na fakt by kondensatory były rozładowane przed przystąpieniem do ich pomiarów- zwłaszcza gdy może na nich występować wysokie napięcie . Niezastosowanie się do tego zalecenia grozi poważnym uszkodzeniem urządzenia.
By stwierdzić czy dany kondensator charakteryzuje się akceptowalnym ESR'em należy, jak już wspomniałem, odszukać notę katalogową producenta i odszukać ten parametr. Można też posłużyć się tabelą zawierającą orientacyjne wartości tego parametru dla kondensatorów o różnych pojemnościach i różnych maksymalnych napięciach pracy. Różne zestawienia tego typu można odnaleźć w Internecie - choć różnią się one czasem między sobą w określeniu parametru ESR dla poszczególnych wartości kondensatorów to dają orientacyjny pogląd na to czy badany kondensator nadaje się do dalszej pracy w układzie czy też nie.
Przykład takiej tabeli zaczerpniętej z Internetu przedstawiam poniżej:

Załączone zdjęcia przedstawiają konstrukcję pod koniec jej budowy. W finalnej wersji zostały zmienione zakresy pomiarowe miernika do przedstawionych w opisie.
Konstrukcja miernika została przedstawiona na forum Elektroda.pl na którym też można pobrać schemat w formacie eagle'a oraz pliki do zaprogramowania mikrokontrolera ATmega8A :